| |
Texas Instruments - ISO1211 Isolated 24-V Digital Input Receiver

The ISO1211 is an isolated 24-V to 60-V digital input receiver, compliant to IEC 61131-2 Type 1, 2, and 3 characteristics, suitable for programmable logic controllers (PLCs) and motor-control digital input modules. Unlike traditional optocoupler solutions with discrete, imprecise current limiting circuitry, the ISO1211 provides a simple, low-power solution with an accurate current limit to enable the design of compact and high-density I/O modules. It does not require field-side power supply and is configurable as sourcing or sinking inputs.
The ISO1211 operates over the supply range of 2.25 V to 5.5 V, supporting 2.5-V, 3.3-V, and 5-V controllers. A ±60-V input tolerance with reverse polarity protection helps ensure the input pins are protected in case of faults with negligible reverse current. It supports up to 4-Mbps data rates passing a minimum pulse width of 150 ns for high-speed operation. The ISO1211 device is ideal for designs that require channel-to-channel isolation and the ISO1212 device is ideal for multichannel space-constrained designs.
Features: Please refer to datasheet
Application
• Programmable Logic Controller (PLC)
-Digital Input Modules
-Mixed I/O Modules
• Motor Drive I/O and Position Feedback
• CNC Control
• 48-V Systems
• Data Acquisition
• Binary Input Modules
Description
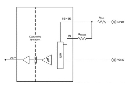
The ISO1211 device receives 24-V to 60-V digital input signals and provides isolated digital outputs. An external resistor, RSENSE, connected between the INx and SENSEx pins, sets the limit for the current drawn from the field input. Internal voltage comparators connected to the SENSEx pins determine the input-voltage transition thresholds.
The output buffers on the control side are capable of providing enough current to drive status LEDs. The EN pin is used to enable the output buffers. A low state on the EN pin puts the output buffers in a high-impedance state.
The ISO1211 device is capable of operating up to 4 Mbps and supports an isolation withstand voltage of 2500 VRMS between side 1 and side 2.
Block Diagram

Learn More
▲回頁首
|
|
|