| |
|
|
March 2017 |
 |
Products - Texas Instruments |
|
| |
|
|
| |
|
|
|
|
Automotive, Base Station IC: TRF4140-Q1
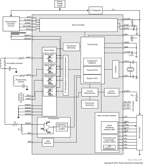
The TRF4140 low-frequency (LF) transceiver base station device is intended for immobilizer and PEPS systems to communicate with LF transponders, remote keyless entry, and passive entry devices and also to support wireless charging. The antenna driver stage consists of several MOSFET antenna drivers to send modulated LF transmissions and a receiver for detection and demodulation of LF transponder responses. The responses can be from either a half-duplex (HDX) transponder or a full-duplex (FDX) transponder. The HDX communication scheme uses frequency shift keying (FSK) as the uplink modulation. The FDX communication scheme uses amplitude shift keying (ASK) as the uplink modulation, also known as load modulation or backscatter modulation. The device can drive LF antennas to provide a wake-up and data sequence (PEPS), and it can also receive transponder responses on any or all channels (immobilizer).
The TRF4140 device lets the user implement an intelligent system, suitable for wireless power charging (WPC). The WPC system can periodically check the surrounding environment for available devices to be powered while minimizing idle power, monitor all communications from the mobile device being wirelessly powered, and control the output power that is applied to the transmitter coil according to information received from the powered device. The system can manage fault conditions associated with power transfer and can control status signals by using current measurement and LED-capable I/Os to indicate operating modes. The TRF4140 device needs VDD supply (5 V) for its control blocks and to feed the integrated logic voltage regulator. The antenna driver is supplied separately by VDDH (4 V to 20 V). This voltage can be used to generate a sine-wave output signal for superior EMC performance, which is important for remote antenna applications with several meters of antenna cable.
The TRF4140 device manages all timings required for a communication sequence without the need for an accurate host controller interaction. In conjunction with transmit and receive FIFOs, the host controller is off-loaded from all timing-critical events, which enables easy host controller process scheduling. In particular, the host controller start-up process for an automotive body control module is tremendously relaxed by this base station device. The TRF4140 device supports sequence preloading and sequence execution on external events to start the immobilization process exactly when the key fob is detected. So, delays due to configuration can be avoided in inconvenient time frames.
Features
• Integrated Boost Controller for Wide Supply Voltage Range With Jump Start and Load Dump Protection
• Antenna Driver With up to 20-V Peak-to-Peak Output Voltage Amplitude and up to 1-A Peak Antenna Current With Sine-Wave
or Square-Wave Output
• Flexible Host Control Interface
- 3-Wire SPI
- 4-Wire SPI
- Configurable I/O Functions to Extend Controller Interface Such as an Interrupt Request Signal
- Interface Voltage Supply Range From 2.5 V to 5.5 V
• Ultra-Low Current Consumption in Sleep State
• Fractional Synthesizer With 10-kHz to 500‑kHz Frequency Range With 60-Hz Step Size
• PSK and ASK Transmitter Stage
• FSK and ASK Receiver and Demodulator
Four Programmable Half-Bridge MOSFET Antenna Drivers
• Pairs of Half-Bridge Antenna Drivers can be Used Together as a Full-Bridge Driver to Double the Possible Output
Voltage Amplitude
• Antenna Current Measurement With 5-Bit Resolution for High Side and Low Side of Antenna Driver Stages
• Programmable Antenna Driver Output Voltage in Sine-Wave Mode
• Supply-Controlled Antenna Driver Voltage in Square-Wave Mode
• Output Stage is Overload Protected for Overcurrent and Overtemperature Conditions
• Antenna Driver Diagnostics: Short to Ground, Short to Antenna Driver Supply Voltage, and Open Load Detection
• Supports On-Off Keying With Data Rates up to 70 kbps for Downlink and Uplink
Application
• Car Access
• Immobilizers
• Passive Entry, Passive Start(PEPS)
• Wireless Power Charging (Qi, WPC, PMA)
Block Diagram

Learn More
▲TOP
|
|
|
|